分类列表
新闻中心

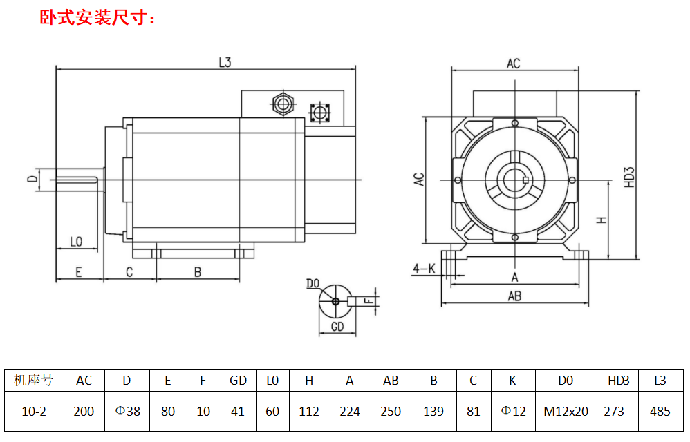
额定功率7.5KW伺服主轴电机,电压380V 基频67Hz 基底转速2000转最高12000转

额定功率7.5KW伺服主轴电机,电压380V 基频67Hz 基底转速2000转最高12000转伺服主轴电机与驱动器功能:

 刚性攻丝   C轴功能  准停功能  高速响应  转矩控制  低速大扭矩切削

 高速控制   位置控制  同步控制  分度定位  零速主轴锁定  高速恒功率切削

    广州腾汇自动科技有限公司电话13632476591