首页
产品展示
行业专用电机
产品介绍
新闻中心
关于我们
首页
产品展示
行业专用电机
产品介绍
新闻中心
关于我们
新闻中心
News
分类列表
公司新闻
行业动态
首页
>
新闻中心
>
行业动态
>
新闻中心
公司新闻
行业动态
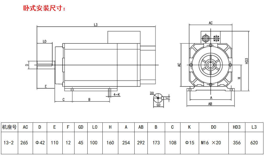
高速12000转额定功率18.5KW伺服主轴电机
额定功率18.5KW伺服主轴电机额定电压380V基频67Hz
基底转速2000转最高12000转安装尺寸选型如下:
Copyright © 2026广州腾汇自动化科技有限公司 All rights reserved
广州网站建设:
讯度网络
电话:
13632476591