首页
产品展示
行业专用电机
产品介绍
新闻中心
关于我们
首页
产品展示
行业专用电机
产品介绍
新闻中心
关于我们
新闻中心
News
分类列表
公司新闻
行业动态
首页
>
新闻中心
>
行业动态
>
新闻中心
公司新闻
行业动态
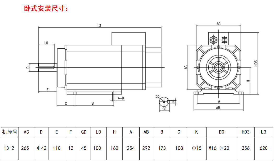
基底转速2000转额定功率18.5KW伺服主轴电机
基底转速2000转额定功率18.5KW伺服主轴电机基频67HZ额定转矩88N.m
型号: THG13-2-88-18.5/22-4-2000 广州腾汇自动化科技有限公司
Copyright © 2026广州腾汇自动化科技有限公司 All rights reserved
广州网站建设:
讯度网络
电话:
13632476591